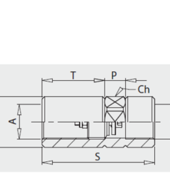
| Vöruheiti | Stærð A BSP | Hámarks flæði l/mín | B mm | C mm | D mm | G mm | H mm | L mm | M mm | N mm | Hersla Nm | Vörunúmer |
|---|---|---|---|---|---|---|---|---|---|---|---|---|
| Patrónur | ||||||||||||
| Patróna 1/4″ | 1/4 | 25 | 8.2 | 10.4 | 8 | 25 | 2.5 | 19 | 35 | 7 | 2 | 73000360 |
| Patróna 3/8″ | 3/8 | 50 | 11 | 12.7 | 10 | 30 | 3.25 | 23 | 41 | 9.5 | 3 | 73000362 |
| Patróna 1/2″ | 1/2 | 80 | 13 | 15 | 11.5 | 33 | 4 | 29 | 46 | 12 | 4 | 73000364 |
| Patróna 3/4″ | 3/4 | 150 | 18 | 18 | 14.5 | 42 | 5.2 | 34 | 55 | 16 | 10 | 73000366 |
| Patnóna 1″ | 1 | 180 | 20 | 26 | 19 | 48 | 7 | 40 | 63 | 22 | 12 | |
| Hús M/F | A BSP | R mm | P mm | T mm | U mm | Ch | ||||||
| Hús 1/4″ | 1/4 | 39 | 10 | 13 | 20.5 | 19 | 73000370 | |||||
| Hús 3/8″ | 3/8 | 45 | 10 | 16 | 24.5 | 22 | 73000371 | |||||
| Hús 1/2″ | 1/2 | 52 | 10 | 19 | 29.5 | 27 | 73000372 | |||||
| Hús 3/4″ | 3/4 | 61 | 12 | 23 | 35.5 | 32 | 73000373 | |||||
| Hús 1″ | 1 | 67 | 15 | 25.5 | 44.5 | 41 | ||||||
| Hús F/F | ||||||||||||
| Hús 1/4″ | 1/4 | 39 | 10 | 13 | 20.5 | 19 | 73000375 | |||||
| Hús 3/8″ | 3/8 | 54 | 10 | 30 | 24.5 | 22 | 73000376 | |||||
| Hús 1/2″ | 1/2 | 73 | 10 | 46.5 | 29.5 | 27 | 73000377 | |||||
| Hús 3/4″ | 3/4 | 74 | 12 | 44 | 35.5 | 32 | 73000378 | |||||
Fallöryggi, patrónur, BSP – Oleoweb
Fallöryggislokar, Oleweb VUBA, 25 – 180 lítra. M/F og F/F hús.
Sjá nánar, Tækniefni.
Hámarks þrýstingur: 350 bar.
Hitaþol olíu: -20°C til +80°C.
Umhverfishiti: -20°C til +50°C.
Seigja olíu: 15 – 250 cSt.
Mælt er með því að vernda lokann með því að sía vökvann með 15 mikrona síu.















