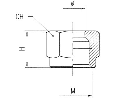
M rær
Fyrir kopar-, plast-, stál- og álrör.
Ef koparfittings er notaður með plaströrum er nauðsynlegt að styrkja enda rörsins með koparinnleggi svo að hann leggist ekki saman þegar rörið er kónað.
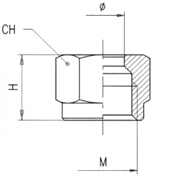
Fyrir kopar-, plast-, stál- og álrör.
Ef koparfittings er notaður með plaströrum er nauðsynlegt að styrkja enda rörsins með koparinnleggi svo að hann leggist ekki saman þegar rörið er kónað.