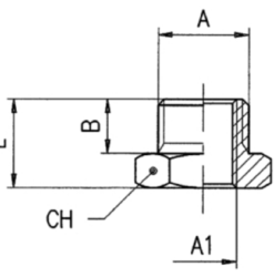
| Vöruheiti | Gengjur A BSP | Gengjur A1 BSP/M | Hæð B mm | Lengd L mm | Lykilmál CH | Vörunúmer |
|---|---|---|---|---|---|---|
| Minnkun 1/8″xM5 | 1/8 | 5 | 6 | 10.5 | 14 | 13437501 |
| Minnkun 1/4″x1/8″BSP | 1/4 | 1/8 | 8 | 13 | 17 | 13437502 |
| Minnkun 3/8″x1/8″BSP | 3/8 | 1/8 | 9 | 14 | 19 | 13437602 |
| Minnkun 1/2″x1/8″BSP | 1/2 | 1/8 | 10 | 15.5 | 24 | 13437702 |
| Minnkun 3/8″x1/4″BSP | 3/8 | 1/4 | 9 | 14 | 19 | 13437504 |
| Minnkun 1/2″x1/4″BSP | 1/2 | 1/4 | 10 | 15.5 | 24 | 13437604 |
| Minnkun 1/2″x3/8″BSP | 1/2 | 3/8 | 10 | 15.5 | 24 | 13437506 |
| Minnkun 3/4″x1/4″BSP | 3/4 | 1/4 | 12 | 15.5 | 30 | |
| Minnkun 3/4″x3/8″BSP | 3/4 | 3/8 | 12 | 17.5 | 30 | 13437606 |
| Minnkun 3/4″x1/2″BSP | 3/4 | 1/2 | 12 | 17.5 | 30 | 13437508 |
Minnkanir
Tommumáls rörafittings.
Hitaþol 300°C.
Þrýstiþol 1/8″ – 150BAR
Þrýstiþol 1/4″ – 100BAR
Þrýstiþol 3/8″ – 75BAR
Þrýstiþol 1/2″ – 50BAR
Þrýstiþol 3/4″ – 85BAR
Þrýstiþol 1″ – 80BAR





