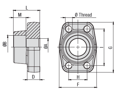
Staðlaðir flansar sem henta vel fyrir stærri háþrýstar lagnir (1/2″ og upp í 5″) þar sem tengja þarf t.d. dælur og ventlablokkir. Sérlega hentug lausn þegar sverleiki lagna er yfir 1 1/2″, rými er takmarkað eða ekki auðvelt að koma við snittun fyrir lagnir. Stöðlun og einfaldleiki auðveldar alla vinnu og viðhald. SAE dæluflansana má fá með hefðbundnu rörasnitti eða með suðusæti fyrir rör, báðar gerðir eru svo í boði með eða án sætis fyrir þéttihring. SAE staðlarnir eru 2. Annars vegar 3000psi (206 BAR) og hins vegar 6000psi (413 BAR).
| Vöruheiti | Þrýsti þol m.v. 8.8 bolta BAR | Þrýsti þol m.v. 10.9 bolta BAR | Stærð „ | Þver mál A mm | Þver mál B mm | Hæð D mm | Breidd F mm | Lengd G mm | Breidd H mm | Lengd I mm | Hæð L mm | Hæð M mm | Bolta gengjur M | Vöru númer |
|---|---|---|---|---|---|---|---|---|---|---|---|---|---|---|
| 3000 psi | ||||||||||||||
| Suðuflans SAE 1/2″ | 350 | 350 | 1/2 | 13 | 21.6 | 16 | 47 | 57 | 17.5 | 38.1 | 36 | 18 | 8 | 75004810 |
| Suðuflans SAE 3/4″ | 350 | 350 | 3/4 | 19 | 27.2 | 18 | 50 | 67 | 22.3 | 47.6 | 36 | 18 | 10 | 75004820 |
| Suðuflans SAE 1″ | 250 | 315 | 1 | 25 | 34 | 18 | 54 | 72 | 26.2 | 52.4 | 38 | 18 | 10 | 75004830 |
| Suðuflans SAE 1-1/4″ | 200 | 250 | 1-1/4 | 32 | 42.8 | 21 | 68 | 82 | 30.2 | 58.7 | 41 | 20 | 10 | 75004840 |
| Suðuflans SAE 1-1/2″ | 200 | 200 | 1-1/2 | 38 | 48.6 | 25 | 79 | 96 | 35.7 | 69.9 | 44 | 22 | 12 | 75004850 |
| Suðuflans SAE 2″ | 160 | 200 | 2 | 51 | 61 | 25.5 | 88 | 102 | 42.9 | 77.8 | 45 | 24 | 12 | 75004860 |
| Suðuflans SAE 2-1/2″ | 100 | 160 | 2-1/2 | 63 | 76.6 | 26 | 101 | 115 | 50.8 | 88.9 | 50 | 28 | 12 | 75004870 |
| Suðuflans SAE 3″ | 100 | 100 | 3 | 73 | 90.5 | 27.5 | 127 | 137 | 61.9 | 106.4 | 50 | 28 | 16 | 75004880 |
| Suðuflans SAE 3-1/2″ | 35 | 35 | 3-1/2 | 89 | 103 | 27.5 | 138 | 155 | 69.9 | 120.7 | 50 | 30 | 16 | 75004885 |
| Suðuflans SAE 4″ | 35 | 35 | 4 | 99 | 115.5 | 27.5 | 147 | 163 | 77.8 | 130.2 | 50 | 30 | 16 | 75004890 |
| Suðuflans SAE 5″ | 35 | 35 | 5 | 120 | 142 | 28 | 180 | 184 | 92.1 | 152.4 | 50 | 30 | 16 | |
| 6000 psi | ||||||||||||||
| Suðuflans SAE 1/2″ | 350 | 400 | 1/2 | 13 | 21.6 | 16.5 | 47 | 57 | 18.2 | 40.5 | 36 | 18 | 8 | 75004910 |
| Suðuflans SAE 3/4″ | 350 | 400 | 3/4 | 19 | 27.2 | 19.5 | 54 | 72 | 23.8 | 50.8 | 36 | 20 | 10 | 75004920 |
| Suðuflans SAE 1″ | 350 | 400 | 1 | 25 | 34 | 24.5 | 68 | 82 | 27.8 | 57.2 | 44 | 22 | 12 | 75004930 |
| Suðuflans SAE 1-1/4″ | 350 | 400 | 1-1/4 | 32 | 42.8 | 27.5 | 79 | 95 | 31.8 | 66.6 | 44 | 22 | 12 | 75004940 |
| Suðuflans SAE 1-1/2″ | 350 | 400 | 1-1/2 | 38 | 48.6 | 31 | 88 | 108 | 36.5 | 79.3 | 51 | 24 | 16 | 75004950 |
| Suðuflans SAE 2″ | 350 | 400 | 2 | 51 | 61 | 37 | 118 | 137 | 44.5 | 96.8 | 70 | 33 | 20 | 75004960 |
| Suðuflans SAE 2-1/2″ | 350 | 400 | 2-1/2 | 63 | 76.6 | 45 | 152 | 180 | 58.7 | 123.8 | 80 | 32 | 24 | |
| Suðuflans SAE 3″ | 350 | 400 | 3 | 73 | 90.5 | 55 | 178 | 208 | 71.4 | 152.4 | 90 | 30 | 30 |





