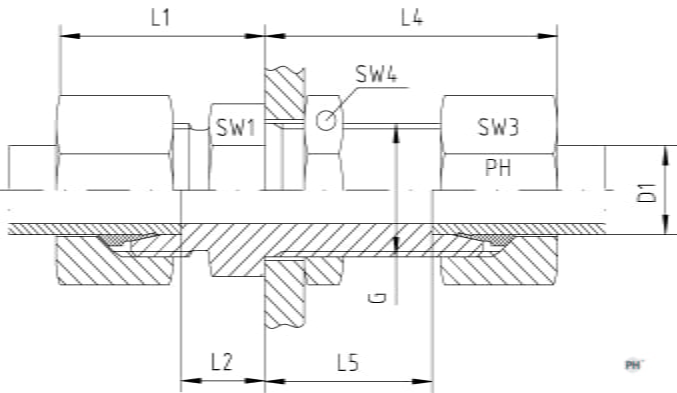
| Vöruheiti | Utanmál rörs D1 mm | Gengjur G M | Hæð L1 mm | Hæð L2 mm | Hæð L3 mm | Hæð L4 mm | Lykilmál SW1 | Lykilmál SW3 | Lykilmál SW4 | Þrýstiþol BAR | Vörunúmer |
|---|---|---|---|---|---|---|---|---|---|---|---|
| Gerð – LL | |||||||||||
| SV 4LL | 4 | 8×1 | 19 | 7 | 23 | 11 | 11 | 10 | 11 | 100 | |
| SV 6LL | 6 | 10×1 | 100 | ||||||||
| SV 8LL | 8 | 12×1 | 100 | ||||||||
| Gerð – L | |||||||||||
| SV 6L | 6 | 12×1,5 | 22 | 7 | 42 | 27 | 17 | 14 | 17 | 500 | 84137006 |
| SV 8L | 8 | 14×1,5 | 23 | 8 | 42 | 27 | 19 | 17 | 19 | 500 | 84137056 |
| SV 10L | 10 | 16×1,5 | 25 | 10 | 43 | 28 | 22 | 19 | 22 | 500 | 84137106 |
| SV 12L | 12 | 18×1,5 | 25 | 10 | 44 | 29 | 24 | 22 | 24 | 400 | 84137156 |
| SV 15L | 15 | 22×1,5 | 27 | 12 | 46 | 31 | 27 | 27 | 30 | 400 | 84137206 |
| SV 18L | 18 | 26×1,5 | 30 | 13.5 | 49 | 32.5 | 32 | 32 | 36 | 400 | 84137256 |
| SV 22L | 22 | 30×2 | 33 | 16.5 | 51 | 34.5 | 36 | 36 | 41 | 250 | 84137306 |
| SV 28L | 28 | 36×2 | 35 | 18.5 | 52 | 35.5 | 41 | 41 | 46 | 250 | 84137356 |
| SV 35L | 35 | 45×2 | 40 | 18.5 | 58 | 36.5 | 50 | 50 | 55 | 250 | 84137406 |
| SV 42L | 42 | 52×2 | 42 | 19 | 59 | 36 | 60 | 60 | 65 | 250 | 84137456 |
| Gerð – S | |||||||||||
| SV 6S | 6 | 14×1,5 | 27 | 12 | 44 | 29 | 19 | 17 | 19 | 800 | |
| SV 8S | 8 | 16×1,5 | 28 | 13 | 44 | 29 | 22 | 19 | 22 | 800 | |
| SV 10S | 10 | 18×1,5 | 31 | 14.5 | 46 | 29.5 | 24 | 22 | 24 | 800 | |
| SV 12S | 12 | 20×1,5 | 31 | 14.5 | 47 | 30.5 | 27 | 24 | 27 | 630 | 84137159 |
| SV 14S | 14 | 22×1,5 | 35 | 17 | 50 | 32 | 30 | 27 | 30 | 630 | |
| SV 16S | 16 | 24×1,5 | 35 | 16.5 | 50 | 31.5 | 32 | 30 | 32 | 630 | 84137756 |
| SV 20S | 20 | 30×2 | 39 | 17.5 | 55 | 33.5 | 41 | 36 | 41 | 420 | 84137806 |
| SV 25S | 25 | 36×2 | 44 | 20 | 59 | 35 | 46 | 46 | 46 | 420 | 84137856 |
| SV 30S | 30 | 42×2 | 48 | 21.5 | 64 | 37.5 | 50 | 50 | 50 | 420 | 84137906 |
| SV 38S | 38 | 52×2 | 53 | 22 | 68 | 37 | 65 | 60 | 65 | 420 | 84137956 |
Samtengi/gegnumtök SV - ryðfrí
Ryðfrír skerkónafittings úr AISI 316.
Vottað skv. DIN EN ISO 9001:2008.
SV skrúfuð samtengi/gegnumtök, gerðir LL, L og S.
Flokkar: Fittings, Lagnaefni, Ryðfrír fittings, Skerkóna fittings
Brand: PH Industrie
Available Options
| Vörunúmer | Vöruheiti | Verð | Magn |
|---|---|---|---|
| 84137006 | SV 6L | ||
| 84137056 | SV 8L | ||
| 84137106 | SV 10L | ||
| 84137156 | SV 12L | ||
| 84137159 | SV 12S | ||
| 84137206 | SV 15L | ||
| 84137256 | SV 18L | ||
| 84137306 | SV 22L | ||
| 84137356 | SV 28L | ||
| 84137406 | SV 35L | ||
| 84137456 | SV 42L | ||
| 84137756 | SV 16S | ||
| 84137806 | SV 20S | ||
| 84137856 | SV 25S | ||
| 84137906 | SV 30S | ||
| 84137956 | SV 38S |





