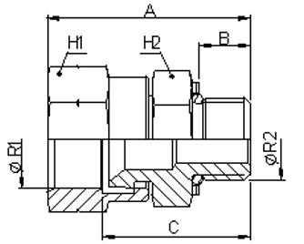
| Vöruheiti | Lengd A mm | Lengd B mm | Lengd C mm | Lykilmál H1 | Lykilmál H2 | Gengjur JIC R1 | Gengjur BSP R2 | Vörunúmer |
|---|---|---|---|---|---|---|---|---|
| Union 7/16″JICx1/8″BSP | 32.1 | 6.3 | 16.9 | 16 | 16 | 7/16 | 1/8 | GS60300402 |
| Union 7/16″JICx1/4″BSP | 35.3 | 9.5 | 16.9 | 16 | 19 | 7/16 | 1/4 | GS60300404 |
| Union 1/2″JICx1/4″BSP | 36.3 | 9.5 | 17 | 16 | 19 | 1/2 | 1/4 | GS60300504 |
| Union 1/2″JICx3/8″BSP | 36.3 | 9.5 | 17 | 16 | 22 | 1/2 | 3/8 | |
| Union 9/16″JICx1/4″BSP | 37.2 | 9.5 | 18 | 19 | 19 | 9/16 | 1/4 | GS60300604 |
| Union 9/16″JICx3/8″BSP | 38.2 | 9.5 | 19 | 19 | 22 | 9/16 | 3/8 | GS60300606 |
| Union 9/16″JICx1/2″BSP | 41.7 | 13 | 19 | 30 | 30 | 9/16 | 1/2 | |
| Union 3/4″JICx1/4″BSP | 40.9 | 9.5 | 20.5 | 22 | 19 | 3/4 | 1/4 | |
| Union 3/4″JICx3/8″BSP | 40.9 | 9.5 | 20.5 | 22 | 22 | 3/4 | 3/8 | GS60300806 |
| Union 3/4″JICx1/2″BSP | 44.4 | 13 | 20.5 | 22 | 30 | 3/4 | 1/2 | GS60300808 |
| Union 7/8″JICx3/8″BSP | 30.5 | 9.5 | 23.2 | 27 | 22 | 7/8 | 3/8 | GS60301006 |
| Union 7/8″JICx1/2″BSP | 48.9 | 13 | 23.2 | 27 | 30 | 7/8 | 1/2 | GS60301008 |
| Union 7/8″JICx3/4″BSP | 48.9 | 13 | 23.2 | 27 | 36 | 7/8 | 3/4 | |
| Union 1-1/16″JICx1/2″BSP | 51.5 | 13 | 24 | 27 | 30 | 1 1/16 | 1/2 | GS60301208 |
| Union 1-1/16″JICx3/4″BSP | 51.5 | 13 | 24 | 32 | 36 | 1 1/16 | 3/4 | GS60301212 |
| Union 1-5/16″JICx3/4″BSP | 56.4 | 13 | 28 | 38 | 36 | 1 5/16 | 3/4 | GS60301612 |
| Union 1-5/16″JICx1″BSP | 59.4 | 16 | 28 | 38 | 46 | 1 5/16 | 1 | GS60301616 |
| Union 1-5/8″JICx1-1/4″BSP | 64.6 | 16 | 32.5 | 50 | 50 | 1 5/8 | 1 1/4 | GS60302020 |
| Union 1-7/8″JICx1-1/4″BSP | 70.2 | 16 | 35 | 60 | 50 | 1 7/8 | 1 1/4 | GS60302420 |
| Union 1-7/8″JICx1-1/2″BSP | 70.2 | 16 | 35 | 60 | 60 | 1 7/8 | 1 1/2 | GS60302424 |
Unionar, breyti, F/M JIC/BSP
Galvaniseraður háþrýstifittings með 37° flerkón í enda (JIC).
Flokkar: Fittings, JIC fittings, Lagnaefni, Stálfittings
Brand: HANSA-FLEX
Available Options
| Vörunúmer | Vöruheiti | Verð | Magn |
|---|---|---|---|
| GS60300402 | Union 7/16"JIC x 1/8"BSP | ||
| GS60300404 | Union 7/16"JIC x 1/4"BSP | ||
| GS60300504 | Union 1/2"JIC x 1/4"BSP | ||
| GS60300604 | Union 9/16"JIC x 1/4"BSP | ||
| GS60300606 | Union 9/16"JIC x 3/8"BSP | ||
| GS60300806 | Union 3/4"JIC x 3/8"BSP | ||
| GS60300808 | Union 3/4"JIC x 1/2"BSP | ||
| GS60301006 | Union 7/8"JIC x 3/8"BSP | ||
| GS60301008 | Union 7/8"JIC x 1/2"BSP | ||
| GS60301208 | Union 1-1/16"JIC x 1/2"BSP | ||
| GS60301212 | Union 1-1/16"JIC x 3/4"BSP | ||
| GS60301612 | Union 1-5/16"JIC x 3/4"BSP | ||
| GS60301616 | Union 1-5/16"JIC x 1"BSP | ||
| GS60302020 | Union 1-5/8"JIC x 1-1/4"BSP | ||
| GS60302420 | Union 1-7/8"JIC x 1-1/4"BSP | ||
| GS60302424 | Union 1-7/8"JIC x 1-1/2"BSP |





